4 x Diodes 1N4001
2 x Capacitors 100 uF
1 x Red LED
1 x Green LED
1 x Voltage regulator TS7805
2 x 1K Resistors
1 x Circuit board
different colored wires
The circuit diagram (updated)
Lochmaster printout
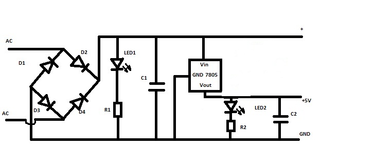
AC voltage coming from Neutral (N) and Phase (P) connectors is getting rectified by four diodes to DC voltage. then Red LED lights up indicating that rectifier works correctly. Green LED after voltage regulator indicates that voltage is 5V after regulator.
testing:
supplying 12V DC after rectifier, both LED lights should light up
Supplying AC Voltage to the rectifier
the white wire reads 4.9V DC

